脫水篩的三種設計方案
發布者: 發布時間:2015-01-27 15:00:10
在濕法制砂生產線中,洗砂機洗出的沙子并不是很干凈,含有少量的泥和水分,導致沙子質量不合格,因此隆中重工為您 脫水篩。隆中重工生產的脫水篩構造簡單,設計合理,深受客戶好評!
早在生產制造脫水篩時,隆中重工技術人員主要提出了以下三種設計方案:

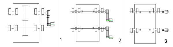
方案一:
脫水篩齒輪強迫傳動振動器的主要的優點:能保證兩偏心軸的振動相位角一致。物料能按一些的拋擲角運動進行篩分。組裝精度要求一般。這種篩子的**不足:噪音大,軸容易發熱,漏油也較嚴重,齒輪使用壽命短等。
方案三:
采用這種傳動方式的振動器,其優點可以降低脫水篩篩子噪音,消除漏油,減少備件消耗和降低費用等。但振動器兩軸同心度,及其裝備精度要求較高。通過三角帶傳動的振動器,如兩電機膠帶輪的三角膠帶松緊不一致時,均會引起由于兩軸摩擦傳動阻力的差異而導致兩偏心相位角的不一致,從而造成物料在篩面上不規則運動,影響脫水篩篩分效率。
方案二:
雙不平衡激振器由兩臺電機拖動,主要取消了一對齒輪,代之以兩臺脫水篩電動機直接帶動軸轉動。采用這種傳動方式的振動器,其優點是可以簡化了激振器的結構,使振動篩的潤滑,維護和檢修大為簡化;篩子噪音,消除漏油和降低費用等。
綜合所有方案的優缺點,確定方案三是目前為止較優的設計方案。當然last經過各地客戶的使用反映情況,設計方案三為客戶賺取了更多的利潤!
相關文章:哪個廠家生產脫水振動篩好



